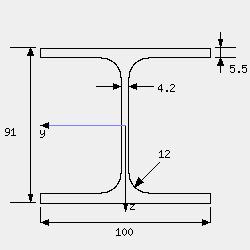
Querschnittswerte I-Profile

 

S235  S355

Profil HEAA100 a fy,k S = 240

statische Werte [cm4,cm3,cm2]

Profilmasse [mm]

Iy

Wy

Sy

iy

  Iz

 Wz

Sz

iy

cm4

cm3

cm3

cm

 cm4 

 cm3 

cm3

cm

236.5

51.97

29.17

3.894

 92.06

 18.41

 14.51

 2.429

 

 Plastische Grenzschnittgrößen [kN, kNm]

Npl.Rd

Mpl.y.Rd

Mel.y.Rd

Vpl.y.Rd

Mpl.z.Rd

Mel.z.Rd

Vpl.z.Rd

 

 kN

kNm

kNm

kN

kNm

kNm

kN

 

340.2 

12.73

 11.34

138.5  

 6.334 

 4.017

45.23